| Drawing |
Description |
File name |
Date |
Rev. |
Format |
 |
Rack layout, 5th deck, seismic ops rom
|
racks-seismics-ops-room.vsd |
26. mar. 2003 |
1.0 |
PDF |
Visio |
 |
Terminals in racks, 5th deck, seismic ops rom
|
terminal-blocks-seismics-ops-room-ver-1.vsd |
26. mar. 2003 |
1.0 |
PDF |
Visio |
|
Main diagram
|
cables-seismic-01-1A.vsd |
26. nov. 2002 |
1.0 |
PDF |
Visio |
 |
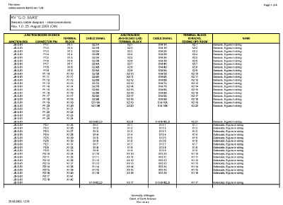
Cable tag list
|
cables-seismic-list-01-1A.xls |
26. nov. 2002 |
1.0 |
PDF |
Excel |
 |
List of interconnections
NEW
|
cables-seismic-list-02-rev-1.xls |
25. aug. 2003 |
1.0 |
PDF |
Excel |
 |
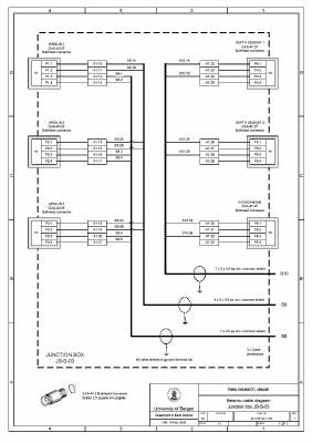
Junction Box
JB-S-06
3rd deck, lab. 16 |
jb-s-06-rev1.vsd |
27. feb. 2003 |
1.0 |
PDF |
Visio |
 |
Terminal blocks in racks, seismic ops room 5th deck
|
jb-s-05-rev2.vsd
Change history:
- Rev. 2:
- Mirrored all terminal groups. Cable entries will then match those on drawing "jb-s-06-revX".
- Text describing all terminal groups.
|
25. aug. 2003 |
2.0 |
PDF |
Visio |
 |
Junction Box
JB-S-04
4th deck, trawl gantry, starboard side |
jb-s-04-rev1.vsd |
28. feb. 2003 |
1.0 |
PDF |
Visio |
 |
Junction Box
JB-S-03
3rd deck, approx. frame 5
port side |
jb-s-03-rev1.vsd |
10. feb. 2003 |
1.0 |
PDF |
Viso |
 |
Junction Box
JB-S-02
3rd deck, approx. frame 5
starboard side |
jb-s-02-rev1.vsd |
11. feb. 2003 |
1.0 |
PDF |
Visio |
 |
Junction Box
JB-S-01
2nd deck, approx. frame 5
close to Gun winch
|
jb-s-01-rev1.vsd |
21. feb. 2003 |
1.0 |
PDF |
Visio |
| Connector |
Specifications |
Supplier |
Datasheet |
 |
|
WesternGeco AS Fjord Instrument
Kvassnesveien 27, 5914 Isdalstų, Norway |
PDF |
18-pin bulkhead, socket contacts
Junction box 1 og 4
|
-
Manufacturer: FCI
-
Mfr. part number: CL1R3101UK/FC FAB KIT 4172607
-
18-pin bulkhead connector, sockets
-
Supplier part. no.: 749151
-
Supplier designation: RECEPTACLE SQ.SKTS 18WAY
FAB KIT 4172607
-
Drilling of holes in bulkhead (Shell size = 3):

H = 31 mm
J = 28.6 mm
G= 2.8 mm
|
Farnell
http://www.farnell.no |
Clipper
Industrial Plastic Connectors, 28 pages |
26-pin bulkhead, pin contact
Junction box 1
|
-
Manufacturer: FCI
-
Mfr. part number: CL1M4101UK KIT NO
4168203
-
-pin bulkhead connector, sockets
-
Supplier part. no.: 535631
-
Supplier designation: RECEPTACLE SQ. PINS
26WAY KIT NO 4168203
-
Drilling of holes in bulkhead (Shell size = 4)

H = 41 mm
J = 36.5 mm
G = 3.8 mm
|
Farnell
http://www.farnell.no |
Clipper
Industrial Plastic Connectors, 28 pages |
| Cable tag number |
Single
conductor
area
[mm2] |
Configuration
CS=Common screen
TP=Twisted pair |
Designation |
Supplier |
Data sheets |
Supplier/
manufacturer |
From local server |
| S1, S4, S8, S13, S16, S20 |
2.5 |
CS |
RDtC4Dt 250V - TFOI |
General Cable Norge, tel. 6491 7900
Ref.: Jan Ole Dunserud
email: "Jan Ole Dunserud"
<jodunserud@generalcable.no>
|
PDF |
PDF |
| S2, S3, S5, S6, S9, S10, S14, S15, S17, S18, S21,
S22 |
0.5 |
TP + CS |
RC4Dt 60V - TFOI(c) |
-- " -- |
PDF |
PDF |
| S12, S24 |
0.75 |
TP + CS |
RC4Dt 250V - TFOI(c) |
-- " -- |
PDF |
PDF |
| S7, S19 |
|
|
Coax RG-58
or equivalent |
|
|
|
| S11, S23 |
|
|
Magnetometer special cable
|
Harvey-Lynch, Inc.
http://www.harvey-lynch.com
Possible delivery, ref.
email
|
|
|
| S25 |
|
|
Streamer N3 deckcable |
WesternGeco Fjord Instrument
Ref.: K. Alver, tel. 5634 2500 |
|
|
|